Description
XYoe Flanged Lift Check Valve
The XYoe Flanged Lift Check Valve is engineered to permit fluid or gas flow in a single, predetermined direction while robustly preventing potentially damaging backflow within piping systems. Its integral flanged connection provides a secure, rigid attachment point, making it ideally suited for demanding high-pressure applications.
Manufactured from durable, high-grade materials, this valve delivers reliable, long-term performance with minimal maintenance requirements. Selecting the correct type, size, and specifications for this valve is fundamental to achieving smooth, trouble-free operation, minimizing energy consumption, and ensuring consistent performance across diverse industrial processes.

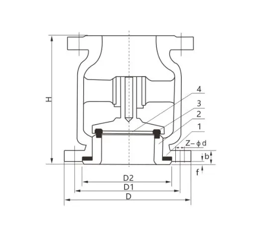
| DN | L | D | D1 | D2 | b | z-Φd |
| 15 | 85 | 95 | 65 | 45 | 16 | 4-Φ14 |
| 20 | 95 | 105 | 75 | 55 | 16 | 4-Φ14 |
| 25 | 105 | 106 | 85 | 65 | 16 | 4-Φ14 |
| 32 | 150 | 126 | 100 | 78 | 16 | 4-Φ18 |
| 40 | 160 | 138 | 110 | 88 | 18 | 4-Φ18 |
| 50 | 170 | 155 | 125 | 100 | 20 | 4-Φ18 |
| 65 | 180 | 175 | 145 | 120 | 22 | 8-Φ18 |
| 80 | 200 | 200 | 160 | 135 | 22 | 8-Φ18 |
| 100 | 210 | 210 | 190 | 160 | 24 | 8-Φ23 |
| 125 | 275 | 240 | 220 | 188 | 28 | 8-Φ25 |
| 150 | 300 | 280 | 250 | 218 | 30 | 8-Φ25 |
| 200 | 380 | 330 | 310 | 278 | 34 | 12-Φ25 |
| 250 | 400 | 405 | 355 | 320 | 36 | 12-Φ25 |
| 300 | 420 | 460 | 410 | 375 | 38 | 16-Φ25 |









