Description
XYoe HC42X Silencer Check Valve
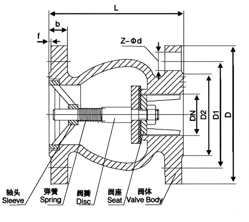
The XYoe HC42X Silencer Check Valve is specifically designed for water supply and drainage pipelines. Its disc is precisely guided by a central axis at both the inlet and outlet, ensuring smooth, stable, and vibration-free operation. The valve offers flexible opening and closing characteristics and can be installed in both horizontal and vertical orientations, providing versatile application options.
Equipped with a spring-loaded disc mechanism, the valve achieves rapid closure to effectively eliminate the damaging effects of water hammer, ensuring quiet and reliable system performance.
Key Features:
- Valve Type: Silencer (Silent) Check Valve
- Guided Operation: Flexible opening and closing with a central, guided disc design for stability.
- Spring-Assisted Closure: Enables fast, positive closing to prevent water hammer and reduce noise.
- Installation Versatility: Suitable for both horizontal and vertical pipeline installations.
- Application Range: Ideal for water supply, drainage, and general industrial pipeline systems.

| Nominal diameter (mm) | Measurement(mm) | |||||
| L | D | D1 | D2 | f-d | Z-φd | |
| 40 | 130 | 145 | 110 | 85 | 17-2 | 4-φ18 |
| 50 | 150 | 160 | 125 | 100 | 19-2 | 4-φ18 |
| 65 | 155 | 180 | 145 | 120 | 19-2 | 4-φ18 |
| 80 | 155 | 195 | 160 | 135 | 21-2 | 8-φ18 |
| 100 | 156 | 215 | 180 | 155 | 23-2 | 8-φ18 |
| 125 | 259 | 245 | 210 | 185 | 25-2 | 8-φ18 |
| 150 | 281 | 280 | 240 | 210 | 27-2 | 8-φ23 |
| 200 | 300 | 335 | 295 | 265 | 29-2 | 12-φ23 |
| 250 | 380 | 405 | 355 | 320 | 31-2 | 12-φ25 |
| 300 | 460 | 460 | 410 | 375 | 33-2 | 12-φ25 |






