Description
Handwheel Flanged Butterfly Valve
Engineered for precision and efficiency, the Handwheel Flanged Butterfly Valve** delivers superior flow control across diverse industrial applications. Its robust flanged design guarantees a secure, leak-tight connection, making it the ideal choice for water treatment, HVAC systems, chemical processing, and general pipeline infrastructure.
Built with durability in mind, the product ensures long-term reliability with minimal maintenance requirements. Whether handling demanding pressures or corrosive media, this valve stands as a testament to safety, efficiency, and operational excellence.

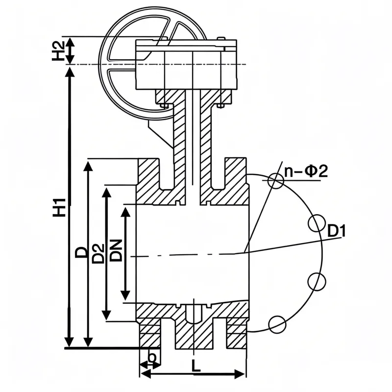
| DN | L | H | H1 | A | B | ФD | ||
| 0.6MPa | 1.0MPa | 1.6MPa | ||||||
| 50 | 43 | 77 | 309 | 180 | 200 | 88 | 99 | 99 |
| 65 | 46 | 85 | 320 | 180 | 200 | 108 | 118 | 118 |
| 80 | 46 | 95 | 340 | 180 | 200 | 124 | 132 | 132 |
| 100 | 52 | 105 | 360 | 180 | 200 | 144 | 156 | 156 |
| 125 | 56 | 129 | 405 | 180 | 200 | 174 | 184 | 184 |
| 150 | 56 | 132 | 450 | 270 | 280 | 199 | 211 | 211 |
| 200 | 60 | 165 | 607 | 270 | 280 | 254 | 266 | 266 |
| 250 | 68 | 197 | 659 | 270 | 280 | 309 | 319 | 319 |
| 300 | 78 | 234 | 742 | 380 | 420 | 363 | 370 | 370 |









