high-performance butterfly valve

high-performance butterfly valve

Category

Description

High-performance butterfly valve is a high-performance butterfly valve developed to solve the problem that ordinary valves are difficult to adapt to high temperature, low temperature, high pressure, vacuum and other working conditions. It has a unique self-sealing and double eccentric structure. Through the choice of three sealing materials, high performance is ensured under a wide range of use conditions. It can be applied to ball valves, gas valves and other working conditions that cannot be closed due to corrosion and high-temperature steam, and has a wide range of fluids.

 

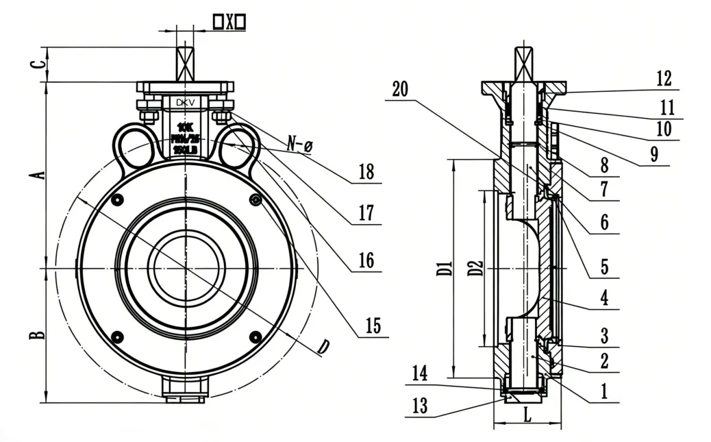
DNInchABCJIS2220-2004 D 10KGB/T9113-2010 D PN10GB/T9113-2010 D PN16GB/T9113-2010 D PN25ASI B15.5-09 D 125lbD1D2L口 X 口
DN502″10267271201251251251219859439*9
DN652.5″1107527140145145145139.711974469*9
DN803″1218729150160160160152.4129884611*11
DN1004″13095291751801801901901531055211*1
DN1255″15711329210210210220215.9183134564*14
DN1506″17012629240240240250241213158564*14
DN2008″20516040290295295310298.42642076217*17
DN25010″24220840355350355370361.93212556922*22
DN30012”28024840400400410430431.83713037722*22

Let's have a Chat