Description
Sanitary Insulated Flanged Ball Valve
The Sanitary Insulated Flanged Ball Valve is a core flow control component designed for the transfer of high-temperature or high-viscosity media in the food, pharmaceutical, and fine chemical industries. It complies with sanitary standards such as 3A, SMS, and DIN, meeting the requirements for GMP-compliant clean production.
Constructed with a 304/316L stainless steel forged body, the valve features a flanged connection design that ensures sealing stability. The body includes预留 insulated jacket ports, allowing steam or heat transfer media to circulate, maintaining medium temperature and preventing scaling or solidification. It operates within a temperature range of -20°C to 425°C, with a nominal pressure rating of 1.6 MPa and port sizes covering DN15 to DN200.
The valve features mirror polishing on both interior and exterior surfaces, eliminating sanitary dead legs, and is paired with food-grade seals. It undergoes 100% pressure testing to ensure zero leakage. The lever handle allows for quick 90° on/off operation, offering easy handling and strong corrosion resistance. Customizable connection methods, including clamp and welding, are also supported. Widely used in applications such as dairy pasteurization, syrup transfer, and pharmaceutical batching, this valve satisfies both hygiene and process temperature control requirements.

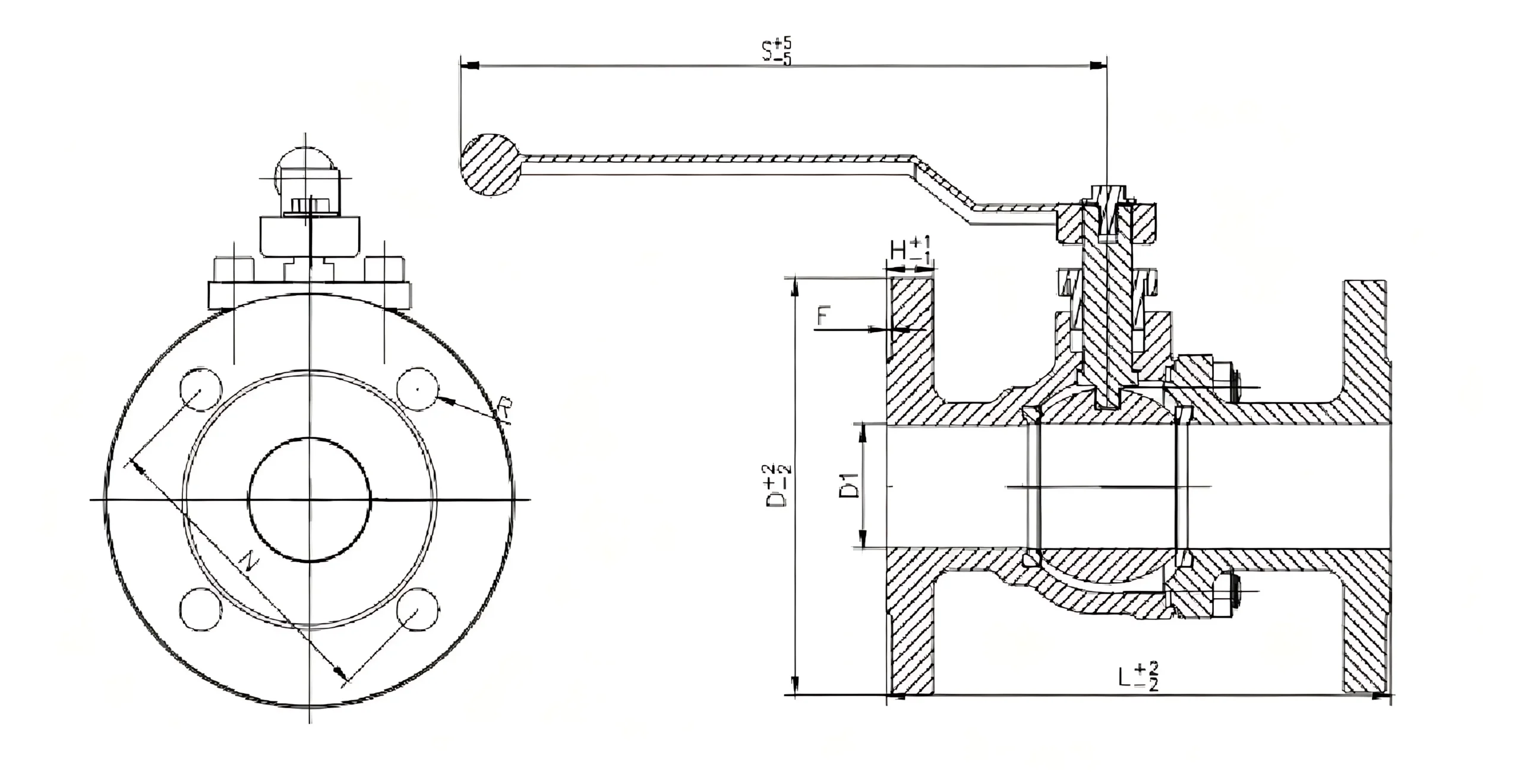
| SIZE | L | D1 | D | H | R | N | F | S |
| DN15 | 130 | 15 | 95 | 14 | φ14*4 | 65 | 2 | 160 |
| DN20 | 130 | 20 | 105 | 14 | φ14*4 | 75 | 2 | 160 |
| DN25 | 140 | 25 | 115 | 16 | φ14*4 | 85 | 2 | 175 |
| DN32 | 165 | 32 | 140 | 16 | φ18*4 | 100 | 2 | 175 |
| DN40 | 165 | 40 | 150 | 18 | φ18*4 | 110 | 2 | 210 |
| DN50 | 202 | 50 | 165 | 18 | φ18*4 | 125 | 2 | 210 |
| DN65 | 222 | 65 | 185 | 20 | φ18*8 | 145 | 2 | 260 |
| DN80 | 240 | 80 | 200 | 20 | φ18*8 | 160 | 2 | 260 |
| DN100 | 280 | 100 | 220 | 22 | φ18*8 | 180 | 2 | 290 |









