Welded Three-Piece Full Enclosure Ball Valve

Welded Three-Piece Full Enclosure Ball Valve

Category

Description

Welded Three-Piece Full-Enclosure Ball Valve

The Welded Three-Piece Full-Enclosure Ball Valve is a specialized fluid control device designed for sanitary, high-pressure applications in the food, pharmaceutical, and chemical industries. Forged from 304/316 stainless steel and polished to a mirror finish on both interior and exterior surfaces, it complies with industry standards such as GMP and 3A, ensuring contamination-free material contact from material selection to manufacturing process.
The product boasts several core advantages: The three-piece design allows for easy disassembly, facilitating cleaning and maintenance, while the welded connections ensure both sealing integrity and piping stability. The full-encapsulation design completely seals critical components such as the stem, effectively preventing media leakage and external contamination, making it fully compatible with CIP (Clean-in-Place) and SIP (Sterilization-in-Place) protocols. The sealing system utilizes high-performance materials such as PTFE and EPDM, offering a wide temperature range of -29°C to 425°C and stable performance across various media, including gases, pharmaceutical liquids, and food fluids, with a nominal pressure rating of 1.6 MPa.
The valve delivers exceptional performance across diverse applications: In the pharmaceutical sector, it is suitable for injectable solution preparation lines, ensuring sterility. In the food industry, it can be used in dairy filling lines to prevent material residue. In chemical applications, it handles the transfer of corrosive raw materials. With its characteristics of high sealing, easy cleaning, and high-pressure resistance, this valve is a reliable solution for fluid control in sanitary production and complex operating conditions.
welded-three-piece-full-enclosure-ball-valve-outline
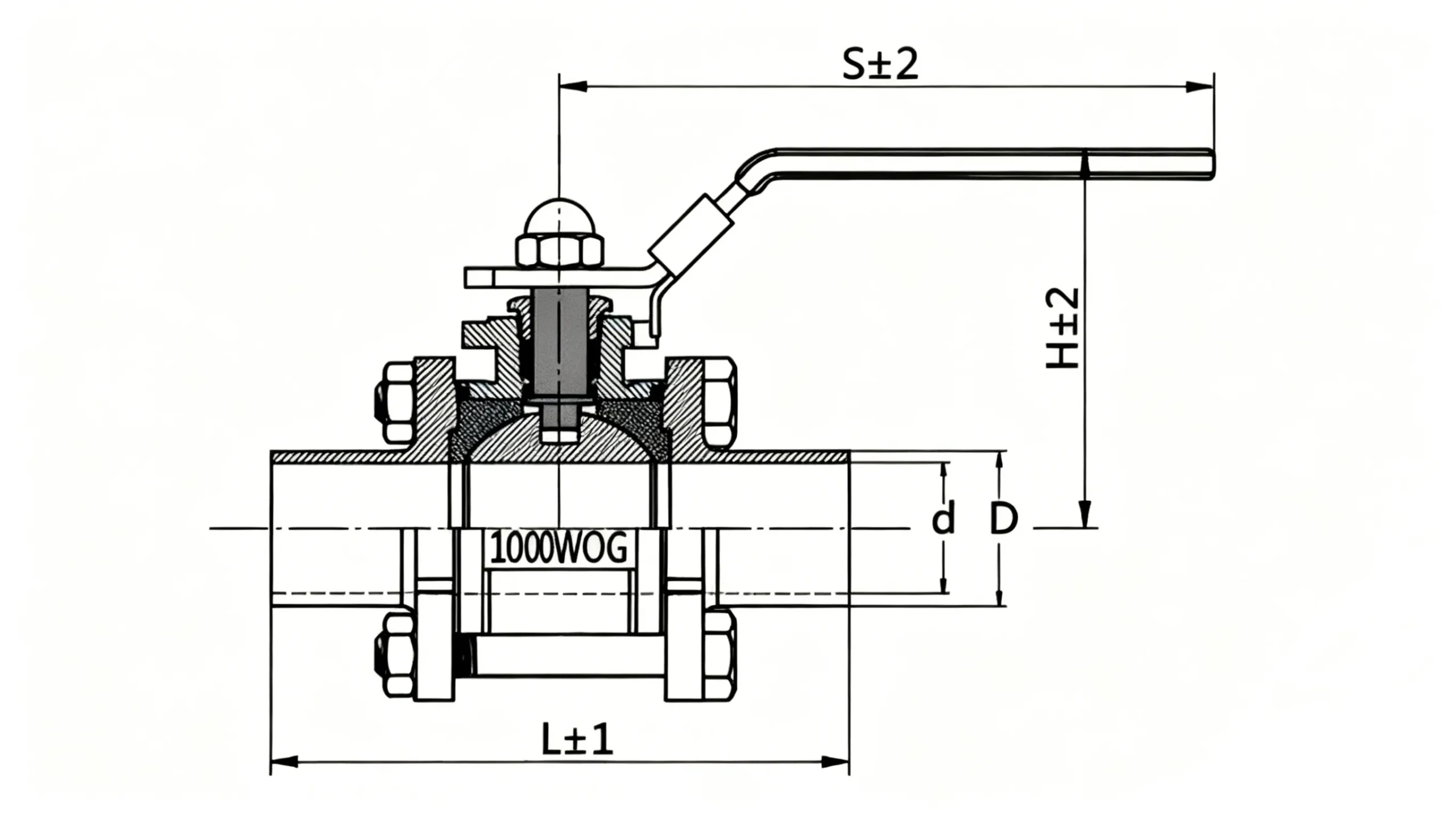
SIZEdDLHS
1/29.412.79060.0132
3/416.019.010464.5132
122.125.411569.0165
1 1/428.531.812575.0170
1 1/234.938.114089.0194
247.550.815697.0194
2 1/259.563.5198127.0252
372.276.2230135.0252
497.6101.6242159.0332
5125.0145.0290210.0350

Let's have a Chat